FHA Integrated Drive
The FHA-C mini Series is a family of extremely compact actuators that deliver high torque with exceptional accuracy and repeatability. As part of the FHA-C mini family, an integrated servo drive version utilizing CANopen® communication is now available. This evolutionary product eliminates the need for an external drive and greatly improves wiring while retaining high-positional accuracy and torsional stiffness in a compact housing. This new mini actuator product is ideal for use in robotics.
Since it communicates via CANopen, only 4 conductors are needed: CANH, CANL, +24VDC, 0VDC. A single-turn 14bit (16384 cpr) gear output sensing encoder has been integrated along with a single-turn 15bit (32768 cpr) motor input sensing encoder providing a true absolute encoder that does not require a battery within 360° of rotation of the output. Typical multi-turn encoders monitoring the motor input shaft require a battery to store the current position when power is lost to the system; however, the dual absolute encoders overcome this need. In other words, No Battery Required. When power is restored, the actuator knows its position.
Key Features:
- Actuator + Integrated Servo Drive utilizing CANopen communication
- 24VDC Nominal +7 to 28VDC Supply Voltage Range
- Single Cable with only 4 conductors needed: CANH, CANL, +24VDC, 0VDC
- Zero Backlash
- Dual Absolute Encoders
- Panel Mount Connectors with 4 exit options
- Output Sensing Encoder 14bit (16384 cpr) resolution
- Input Sensing Encoder 15bit (32768 cpr) resolution
- Control Modes Including Torque, Velocity, and Position Control, CSP, CSV, CST
- Harmonic Drive HDL Software for initial tuning, commissioning, and analysis

Ordering Code FHA-C Mini with Integrated Servo Drive
| FHA | - | 8 | C | - | 50 | - | IDT15b14b | E | - | PM1 | S | - | SP | |
| 1 | 2 | 3 | 4 | 5 | 6 | 7 | 8 | 9 | ||||||
| 1. | Model |
FHA-C Mini Series |
|
| 2. | Size |
8, 11, 14 |
|
| 3. | Design Version |
C |
|
| 4. | Gear Ratio |
30, 50, 100 |
|
| 5. | Encoder Type and Resolution |
IDT15b14b - Integrated Drive |
|
| 6. | Power Supply |
E - 24VDC |
|
| 7. | Options | Panel Mount |
PM1 - Panel Mount Connectors, rear exit |
|
8.
|
I/O Connection Signal |
Blank – without I/O |
|
| 9. | Special specification |
Blank - Standard product |
Panel Mount exit options (shown without I/O):

FHA-C Mini actuators with an integrated servo drive include standard Lemo® connectors with four exit orientation options. Along with providing the equipment builder the flexibility to choose optimum cables for their specific application, panel mount connectors permit easy replacement of cables. In the event of cable damage, the cables can be replaced without disassembling or replacing the entire actuator.
Specifications
| Specification / Model | FHA-8C | FHA-11C | FHA-14C | ||||||||
| Gear Ratio | 30 | 50 | 100 | 30 | 50 | 100 | 30 | 50 | 100 | ||
| Maximum Torque | N.m | 1.8 | 3.3 | 4.8 | 4.5 | 8.3 | 11 | 9.0 | 18 | 28 | |
| Maximum Speed | rpm | 200 | 120 | 60 | 200 | 120 | 60 | 200 | 120 | 60 | |
| Torque Constant (24VDC) |
Nm/A(rms) | 0.8 | 1.3 | 2.7 | 0.8 | 1.3 | 2.6 | 0.8 | 1.4 | 2.9 | |
| Maximum Current | A(rms) | 3.0 | 3.3 | 2.4 | 7.8 | 8.2 | 5.6 | 14.8 | 16.4 | 12.3 | |
| Allowable continuous current | A(rms) | 1.6 | 1.7 | 1.3 | 3.7 | 3.5 | 2.8 | 6 | 5.4 | 4.4 | |
| One-way Positioning Accuracy | arc-sec | 150 | 120 | 120 | 120 | 90 | 90 | 120 | 90 | 90 | |
| Allowable Moment Load | Nm | 15 | 40 | 75 | |||||||
| Moment Stiffness | Nm/rad | 2 x 104 | 4 x 104 | 8 x 104 | |||||||
| Moment of Inertia (GD2/4) |
kg-m2 | 0.0036 | 0.0100 | 0.0399 | 0.007 | 0.019 | 0.077 | 0.019 | 0.052 | 0.206 | |
| Encoder Type | Dual Absolute Encoders | Dual Absolute Encoders, BiSS-C, bi-directional Motor Input Encoder (15bit) & Gear Output Encoder (14bit) |
|||||||||
| Output Shaft Resolution* | Motor | p/rev | 983,040 | 1,638,400 | 3,276,800 | 983,040 | 1,638,400 | 3,276,800 | 983,040 | 1,638,400 | 3,276,800 |
| Output | p/rev | 16,384 | |||||||||
| Mass | kg | 0.41 | 0.63 | 1.2 | |||||||
*Motor ABS encoder resolutions are obtained by (encoder bit count) x (gear ratio)
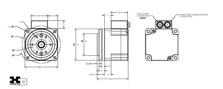
Outline Dimensions

|
FHA-8 |
FHA-11 |
FHA-14 |
||
|
A |
50 |
60 |
75 |
|
|
øB |
3.4 |
4.5 |
5.5 |
|
|
øC |
58 |
70 |
88 |
|
|
øD |
25.5 |
33 |
44 |
|
|
øE |
66 |
80 |
100 |
|
|
F |
6-M3X5 |
6-M4X5 |
6-M5X7 |
|
|
G |
10 |
18.5 |
24(PM1), 25.8(PM2, 3), 25.3(PM4) |
|
|
øJ |
49 |
59 |
74 |
|
|
øK |
33.5 |
41 |
52.5 |
|
|
M |
3 |
3.5 |
3.5 |
|
|
N |
10 |
10 |
15 |
|
|
P |
5 |
5 |
8 |
|
|
Q |
10 |
12 |
15 |
|
|
R |
13 |
13.5 |
18.5 |
|
|
S |
49 |
55.5 |
65.5 |
|
|
T |
2.1 |
12 |
14.8(PM1), 13(PM2), 14(PM3), 14.3(PM4) |
|
|
V |
15 |
15 |
17.5(PM1,2,3), 15(PM4) |
|
|
W |
30 |
30 |
32.5(PM1,2,3), 30(PM4) |
Optional Cables: 3 Lengths (ZZ) Available: 3m (03), 5m (05), 10m (10)

| Actuator | Connection | Cable | Lengths (ZZ) | ||
| Description | 03 | 05 | 10 | ||
| FHA-8, 11 | Power & Communication | CBL-DZZ-L004-N | √ | √ | √ |
| FHA-14 | Power & Communication | CBL-DZZ-L104-N | √ | √ | √ |
| FHA 8, 11, 14 | Input/Output [optional] | CBL-EZZ-L006-N | √ | √ | √ |
HDL-IDE 3.0 Software
HDL-IDE 3.0 software provides the ability to setup or commission the FHA-C Mini Integrated actuator without connecting to a CANopen master controller. A single actuator can connect to a personal computer or laptop with a CAN communication converter and a power supply. All 256 parameters, including the tuning parameters and 256 general user variables can be set and stored to be recognized by the CANopen master controller operating the specific application. The following are some of the features included in HDL-IDE 3.0 software:
|
|
Good Robot Award, Innovation

